全国spa的论坛,上海干磨水磨论坛,2025年老哥论坛51一品茶楼,深圳布吉佳丽-春风阁

当前位置: 主页 > 知识与标准 > 臭氧知识 > 如何提高水中臭氧利用率

如何提高水中臭氧利用率

如何提高水中臭氧利用率

摘要

如何提高水中臭氧利用率 关于采用高浓度臭氧水代替传统CIP(强酸弱碱)工艺做管道或系统工艺消毒,根据长期工程经验积累:水中臭氧剩余浓度0.4ppm时,停留时间为4min。

更新时间:2022-12-06
来源:m.e13u.cn
作者:同林科技
浏览:
关键词: 湿热环境 臭氧尾气处理系统 臭氧实验设备 印染废水脱色实验 常见故障 运维 电晕放电式 测量方法 泳池水处理 臭氧投加量计算 游泳池臭氧消毒 标准泳池 臭氧技术 关键因素 处理效果 臭氧水生成设备 臭氧水实验 臭氧反应时间 臭氧净水工艺 臭氧去除异味 臭氧消毒实验 臭氧饮用水 80g/h 超滤膜曝气 耐高压 臭氧产量区别 抗生素废水降解处理 水处理应用 微细气泡技术 药物合成反应 臭氧特性 MBE 分子束外延 臭氧源 实验室臭氧发生器 显示屏 Atlas-H30 二手臭氧发生器 BMT 802N 空气气源 氧气气源 臭氧尾气破坏装置 ALD设备 分解效率装置 苏伊士 首创集团 臭氧除杂 原理与机制 杂质 碳酸锂浆料 臭氧发生器PLC 3S-J5000臭氧检测仪 3S-KW 管道式 去除新兴污染物 洗车业务 臭氧去除氨 臭氧高级氧化工艺 酚类物质 负压臭氧发生器 臭氧微气泡曝气 清华大学 臭氧化反应 ald臭氧 200g臭氧发生器 菲律宾 海水养殖尾水 微通道 CVD 微通道反应器 工业臭氧解决方案 实验室高压臭氧 Apex P30臭氧设备 微通道膜反应 高压臭氧发生器 选型指南 《环境空气质量标准》 锂电池 臭氧粮仓害虫消杀系统 清洗杀菌 水产品 电耗 O3暴露 臭氧发生一体机 杀菌潜力 低浓度臭氧 风冷 功率 纯臭氧发生器 明电舍 MEIDEN 臭氧清洗 3S-H20 臭氧在水再利用 井水处理 氰化物 臭氧溶解度 瓶装饮用水 游泳池消毒
详细介绍相关案例
如何提高水中臭氧利用率

关于采用高浓度臭氧水代替传统CIP(强酸弱碱)工艺做管道或系统工艺消毒,根据长期工程经验积累:水中臭氧剩余浓度0.4ppm时,停留时间为4min,CT值=1.6时,能高效杀菌,当0.8ppm以上,水才能做到杀菌作用。目前海天酱油、厨邦酱油两家公司洗瓶工艺要求臭氧浓度为1.2ppm和3pppm。
高浓度臭氧水工艺:确定处理水量并尽可能采用纯净水来只做高浓度臭氧水源(臭氧具有广谱性,水中含有杂质将加速水中臭氧分解)。
1、臭氧投加量(以下为长期工程积累经验值)
臭氧在空气中的自然半衰期参比值为23min.<消毒技术规范>,1小时的臭氧自然衰退率为61%,在水中分解率为但在纯水中分解速度较慢,如在蒸馏水中的半衰期大约是20min(20℃)。在水中的臭氧分解和臭氧在空气中的自然半衷期参比值差别不大,两者取一个值为60%,臭氧在水中的混合效率为50%(采用旁路射流器带压0.8mpa 臭氧混合参数值),臭氧设备更大臭氧发生量按70-80%有效值计算。
例如:20M3水中臭氧浓度为2PPm=2g/m3时,1小时需要臭氧量为:
20m3x2g/m3/((1-61%)x50%x75%)≈273.5g,
取300g/H的臭氧发生量
2.臭氧的分解:
臭氧的化学性质极不稳定,在空气和水中都会慢慢分解成氧气,其反应式为
2O3→3O2+285kJ (2-2)
含量为1﹪以下的臭氧,在常温常压的空气中分解半衰期为16h左右。随着温度的升高,分解速度加快,温度超过100℃时,分解非常剧烈,达到270℃高温时,可立即转化为氧气。臭氧在水中的分解速度比空气中快得多。在含有杂质的水溶液中臭氧迅速回复到形成它的氧气。如水中臭氧浓度为6.25×10-5mol/L(3mg/L)时,其半衰期为5~30min,但在纯水中分解速度较慢,如在蒸馏水或自来水中的半衰期大约是20min(20℃),然而在二次蒸馏水中,经过85min后臭氧分解只有10﹪,若水温接近0℃时,臭氧会变得更加稳定。
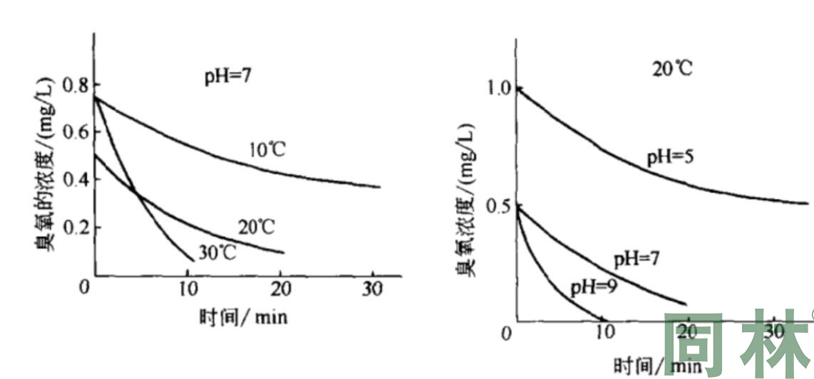
臭氧在水中的分解速度随水温和pH值的提高而加快,图1-1为pH=7时,水温和分解速度的关系,图1-2为20℃时,pH和分解速度的关系。
为了提高臭氧利用率,水处理过程中要求臭氧分解得慢一些,而为了减轻臭氧对环境的污染,则要求处理后尾气中的臭氧分解得快一些。
     图1-1水温和分解速度的关系                                               图1-2 PH和分解速度的关系
 
3、气液混合方式选择:
臭氧水浓度由物理性质决定,以下混合方式仅为达到臭氧水中饱和溶解度。(臭氧在水中的溶解度较氧大,0℃和1×10^5帕时,一体积水可溶解0.494体积臭氧)
目前常用的气液混合方式:文丘里射流器、曝气方式;每种混合方式做的混合效率与后续配套的工艺有很密切的关系,而每种混合方式都有其达到的混合极限值,所以在实际工程中应当选择好混合方式。以下整理数据为本人长期在水处理行业中积累得出的经验值:
A、文丘里射流器法:(调节供气量为吸气量±10%)
1、 主管道/旁路射流器或气液混合泵负压吸臭氧
1.1、主管道/旁路射流器或气液混合泵,臭氧浓度范围0.15-0.35ppm;

1.2、主管道/旁路射流器或气液混合泵+产品水箱底部进液位?米(根据液位高度同水中臭氧浓度在一定范围内增加)臭氧浓度范围0.25-0.8ppm;
2、射流器或气液混合泵+气液分离罐负压吸臭氧;
亨利定律:在等温等压下,某种气体在溶液中的溶解度与液面上该气体的平衡压力成正比。这就是亨利定律,物理化学的基本定律之一;
根据亨利定律,气液分离罐内憋压0.2mpa时,臭氧浓度范围1.0-5ppm。气液分离罐容积建议参考15-30s处理水量停留时间容积。
 
3、臭氧反应罐旁路循环射流器或气液混合泵负压吸臭氧;
3.1、臭氧反应罐旁路循环射流混合常压状态:
参照接触时间8-12min计算罐体容积,压力为常压,罐体设计原则以瘦高为标准(高度不超过10m),臭氧浓度波动与罐体液位高度成正比。臭氧浓度范围0.6-2.5ppm。
3.2、臭氧反应罐旁路循环射流混合带压状态:
参照接触时间8-12min计算罐体容积,罐体设计原则以瘦高为标准(高度不超过10m),臭氧浓度波动与罐体液位高度、压力成正比(压力不超过0.2mpa根据亨利定律)。臭氧浓度范围0.8-18ppm。
 
4、微纳米曝气技术:原理为采用磁力泵+微米曝气喷嘴,一般在国外采用比较广泛,国内未大范围推广,目前一般采用日本微纳米曝气机。臭氧浓度范围1-50ppm。此项暂时不推荐。
5.曝气混合:
曝气方式决定因素:曝气面积、曝气液位;在净水处理中传统曝气接触塔,罐体设计以瘦高为原则(高度不超过10m),曝气盘数量根据臭氧机供气气量(每个盘分气量,空气型10-20L/min  氧气型1-5L/min)尽量采用直径小的罐体增加曝气盘与水面的接触面。提高液位高度增加臭氧气泡在水中路径从而提高吸收效率。臭氧浓度范围0.6-1.5ppm。