全国spa的论坛,上海干磨水磨论坛,2025年老哥论坛51一品茶楼,深圳布吉佳丽-春风阁

当前位置: 主页 > 知识与标准 > 臭氧知识 > RSR-BCR与臭氧氧化工艺对酸性红73 (AR73)降解效果研究

RSR-BCR与臭氧氧化工艺对酸性红73 (AR73)降解效果研究

RSR-BCR与臭氧氧化工艺对酸性红73 (AR73)降解效果研究

摘要

RSR-BCR与臭氧氧化工艺对酸性红73 (AR73)降解效果研究 1.介绍 印染废水有机负荷高,是世界主要污染源之一,难降解[1-3]。偶氮染料、三芳基甲烷染料、蒽醌染料等酸性染料广泛用于羊毛、

更新时间:2024-11-01
来源:m.e13u.cn
作者:同林科技
浏览:
关键词: 湿热环境 臭氧尾气处理系统 臭氧实验设备 印染废水脱色实验 常见故障 运维 电晕放电式 测量方法 泳池水处理 臭氧投加量计算 游泳池臭氧消毒 标准泳池 臭氧技术 关键因素 处理效果 臭氧水生成设备 臭氧水实验 臭氧反应时间 臭氧净水工艺 臭氧去除异味 臭氧消毒实验 臭氧饮用水 80g/h 超滤膜曝气 耐高压 臭氧产量区别 抗生素废水降解处理 水处理应用 微细气泡技术 药物合成反应 臭氧特性 MBE 分子束外延 臭氧源 实验室臭氧发生器 显示屏 Atlas-H30 二手臭氧发生器 BMT 802N 空气气源 氧气气源 臭氧尾气破坏装置 ALD设备 分解效率装置 苏伊士 首创集团 臭氧除杂 原理与机制 杂质 碳酸锂浆料 臭氧发生器PLC 3S-J5000臭氧检测仪 3S-KW 管道式 去除新兴污染物 洗车业务 臭氧去除氨 臭氧高级氧化工艺 酚类物质 负压臭氧发生器 臭氧微气泡曝气 清华大学 臭氧化反应 ald臭氧 200g臭氧发生器 菲律宾 海水养殖尾水 微通道 CVD 微通道反应器 工业臭氧解决方案 实验室高压臭氧 Apex P30臭氧设备 微通道膜反应 高压臭氧发生器 选型指南 《环境空气质量标准》 锂电池 臭氧粮仓害虫消杀系统 清洗杀菌 水产品 电耗 O3暴露 臭氧发生一体机 杀菌潜力 低浓度臭氧 风冷 功率 纯臭氧发生器 明电舍 MEIDEN 臭氧清洗 3S-H20 臭氧在水再利用 井水处理 氰化物 臭氧溶解度 瓶装饮用水 游泳池消毒
详细介绍相关案例
RSR-BCR与臭氧氧化工艺对酸性红73 (AR73)降解效果研究
1.介绍
印染废水有机负荷高,是世界主要污染源之一,难降解[1-3]。偶氮染料、三芳基甲烷染料、蒽醌染料等酸性染料广泛用于羊毛、丝绸等蛋白质纤维的染色,其废水占染色废水的60% - 70%[4-8]。印染废水可通过物理、化学和生物三种方法进行处理[9-11]。生物降解法是目前工业上应用广泛的印染废水处理方法。然而,由于生物降解过程降解时间长、污泥培养复杂,高效、快速的非生物降解工艺近年来受到广泛关注[12-14]。
深度氧化法是一种高效的化学方法,在印染废水处理中得到了广泛的应用。AOPs被定义为基于自由基的氧化过程,如羟基自由基(•OH)[8]。基于臭氧的AOPs因其简单、高效和有害副产物很少而得到了广泛研究[15,16]。O3和•OH可以很容易地破坏酸性染料中的显色基团,从而在臭氧基AOPs中快速脱色废水[2]。
泡塔反应器(Bubble tower reactors, bcr)因其经济、易于操作和维护而广泛应用于化工过程中[17-20]。由于在bcr中可以实现快速的质量(和/或热)传递,在bcr中使用AOPs处理气体和液体流出物已成为一种有前途的技术,以确保有效降解不同类型的污染物[17,21,22]。转子-定子反应器(rotor -定子reactor, RSR)是一种新型的高重力装置,由于转子在RSR内旋转所产生的模拟高重力环境中,液体在RSR内进行了精细分散,从而表现出优异的气液传质效果[23-29]。因此,RSR已被应用于臭氧化处理邻苯二胺废水,以增强ab对O3的吸附[27]。然而,由于液体在RSR中的停留时间很短(小于1秒),O3的吸收效率不够,大量的O3随废气排出RSR。因此,可以将RSR与BCR耦合形成串联工艺,以增强O3基AOPs对废水的吸收,从而提高处理效率,减少设备体积。在本研究中,提出了一种O3/RSR-BCR工艺,其中RSR和BCR串联配置以增强O3的吸收,以处理模拟酸性红73 (AR73)废水??疾炝瞬煌琭ac因子对AR73及化学需氧量(COD)降解的影响,并通过理化分析提出了O3/ RSR-BCR工艺中AR73可能的降解机理。
2. 材料与方法
2.1. 材料和试剂
AR73 (C22H14N4Na2O7S2, AR)。FeSO4•7H2O (AR)。NaOH (AR), H2SO4 (AR, 98 wt.%)和HCl (AR, 36 - 38%)。除特别说明外,采用NaOH和H2SO4溶液(1 mol/L)调节模拟废水的pH值。
2.2. 实验
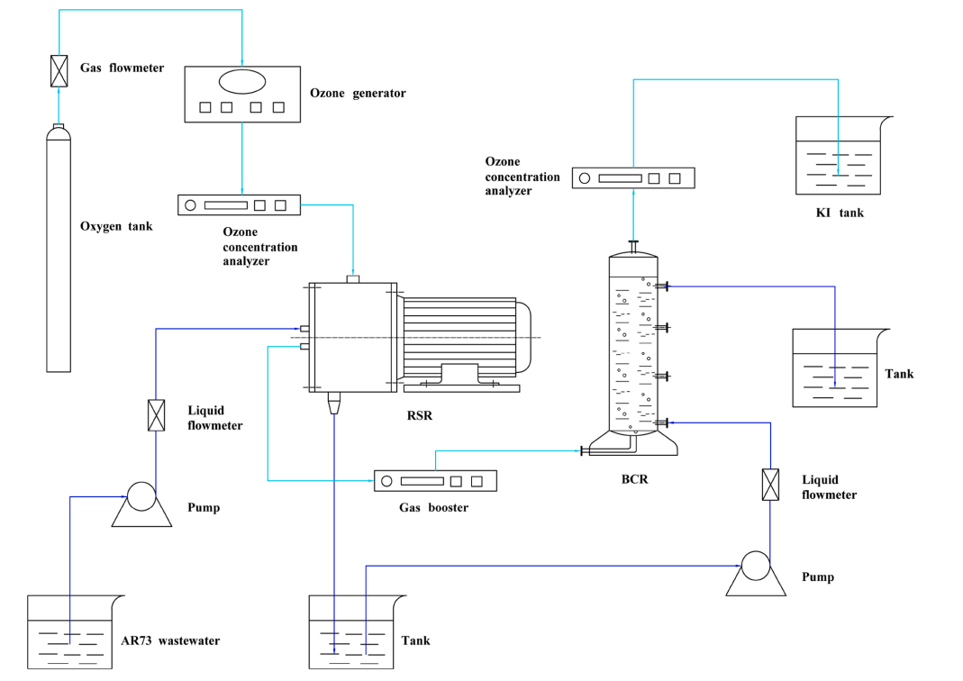
RSR的结构可以在我们之前的论文[24]中找到。它包括一系列同心转子环和定子环沿径向交替排列,相邻转子环与定子环之间的空间距离为1mm。BCR是一个定制的圆柱形柱,气体通过BCR底部的曝气器(直径30毫米,孔隙率40% - 50%)进入,形成气泡。BCR高550 mm,直径50 mm,在塔的不同垂直位置有4个出液口。RSR和BCR的参数分别见表S1和表S2, RSR和BCR的详细结构见图。“补充数据”文件中的“S1”和“S3”。RSR的内部结构如图S2所示。
O3/RSR-BCR工艺处理AR73的示意图如图1所示。臭氧发生器(3S-A10,同林科技有限公司,中国)从空气中产生臭氧,臭氧浓度分析仪(3S-J5000,同林科技有限公司,中国)监测气态臭氧浓度。含臭氧的气体通过气体入口进入RSR并径向向内流动。当气流中的O3浓度达到稳定时,通过进液口将AR73溶液泵入RSR,在旋转转子产生的离心力作用下径向向外流动。气液流在RSR内逆流接触,导致O3吸附,O3与AR73发生反应。随后,离开RSR的气体和液体流被引入BCR进行O3和AR73之间的附加反应。检测BCR出水中残留的AR73和COD浓度以确定降解效率,并在KI溶液吸收之前,使用另一台臭氧浓度分析仪测量BCR出水中残留的O3。所有的实验都是在常温下进行的。
 
图1所示。O3/RSR-BCR工艺处理AR73废水示意图
除另有说明外,实验条件设置如下:AR73合成废水初始浓度为500 mg L−1,初始COD为380 mg L−1,初始pH值为9.25。RSR转速为1000 r min−1,液流量为12 L h−1,气流量为36 L h−1,气态O3初始浓度为50 mg L−1。
液体在BCR中的停留时间由下式Eq1计算。
式中,tBCR为液体在BCR中的停留时间,很小;VBCR为BCR的内容积,0.8 L;L为液体流速,L h−1。
O3/RSR和O3/BCR过程示意图与图1相似,不同之处在于这两个过程中分别没有BCR和RSR单元。
 
图2所示。转速对a) AR73降解效率的影响;b) COD降解效率。
用美国Hach公司DR6000型紫外-可见分光光度计在510 nm波长下检测水样中AR73的吸光度,并根据标准曲线将吸光度转换为AR73的浓度。采用快速消解分光光度计(5B-3(a),中国联华科技股份有限公司),按照中国标准HJ/T 399-2007测定COD(标准英文版本见补充资料文件)。
AR73降解效率由下式2计算。
式中,RAR73为AR73降解效率,Cdye,1和Cdye,0分别为降解前后水样中AR73的浓度,mg⋅L−1。
COD降解效率由下式(3)计算。
式中,RCOD为COD降解效率,COD1、COD0分别为降解前后水样的COD, mg⋅L−1。
如补充数据文件中的表S3和表S4所示,前期初步测试表明,在相同的实验条件下,不同的运行结果具有良好的可重复性。因此,没有对本文提供的数据进行重复试验。
水样中总S含量采用硫氮分析仪测定,检出限为~ 0.2 mg L−1。
气相色谱-质谱(GC - MS)分析使用Agilent 6890 N GC/5973 MS系统(美国)。采用高压离子色度层析仪分析水样中的离子含量。
3.  结论
基于RSR优良的传质效果,开发了O3/RSR- bcr工艺处理AR73印染废水??疾炝瞬煌蛩囟訟R73和COD降解的影响,发现O3/RSR-BCR工艺对AR73的降解率达到97%以上,对COD的降解率达到30%以上。与O3/RSR和O3/BCR工艺相比,O3/RSRBCR工艺表现出很好的性能,因为它结合了RSR中O3吸收效率高和BCR中O3与污染物反应时间长的优点。结果表明,AR73的降解主要是由RSR中的羟基自由基引起的,而BCR中的O3则是主要原因。
通过UV-vis、GC-MS、S含量和HPIC分析,提出了AR73可能的降解机理。结果表明,AR73中的偶氮显色基团被•OH和O3破坏
脱色效果。在处理后的AR73废水中发现了甲苯、异丙烯、硫酸盐等无机和有机分子,证实了AR73的降解不完全,因此获得了较低的COD去除率。
对于O3/RSR-BCR工艺,液体在BCR中的停留时间为2.7 min,而对于O3/BCR工艺,达到约75%的AR73去除率时,液体停留时间为4 min。此外,在O3/ RSR-BCR和O3/BCR工艺中分别使用50和70 mg L−1 O3气体,可实现约86%的AR73降解。结果表明,RSR能显著增强O3的吸附,O3/RSR- bcr串联工艺可能是一种很有前途的印染废水脱色技术。