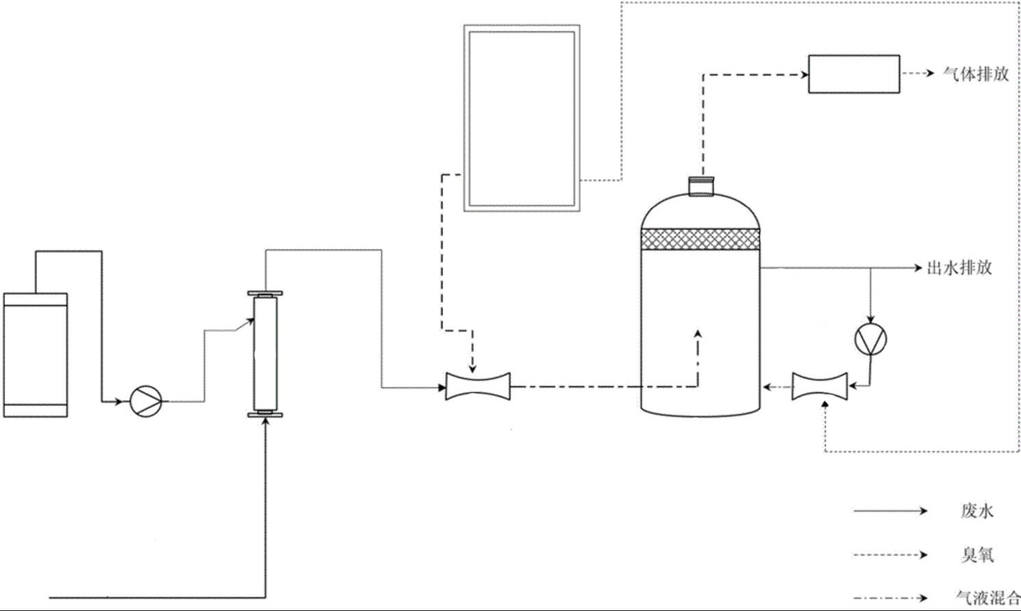
臭氧接触反应池臭氧投加量是多少 A.1 臭氧投加量的确定 A.1.1 臭氧-活性炭深度处理净水厂臭氧投加量应根据原水水质确定,一般臭氧投加量为0.5mg(O3)/mg(C),臭氧接触池出水的余臭
查看详情-
产品与服务
空气消毒专用臭氧发生器 水处理专用臭氧发生器 实验用臭氧发生器 特殊专用臭氧发生器 臭氧浓度检测仪 臭氧发生器配套设备 进口臭氧发生器
-
选型与方案
臭氧催化氧化实验解决方案 制药厂臭氧发生器解决方案 污水处理臭氧发生器解决方案 食品厂臭氧发生器方案 养猪场用臭氧发生器对物料、饲料消毒解 冷库保鲜臭氧发生器解决方案 废气臭氧发生器解决方案 游泳池臭氧发生器解决方案
-
臭氧与应用
臭氧在水处理中应用 臭氧在餐饮中应用 臭氧在饮用水行业中的应用 臭氧在制药行业的应用 臭氧在食品行业的应用 臭氧在畜牧业的应用 臭氧在农业中应用
-
知识与标准
-
客户案例
食品厂臭氧机案例 洁净间臭氧机案例 矿泉水臭氧消毒案例 废气处理用臭氧案例 试验用臭氧发生器案例 游泳池臭氧消毒案例 自备井臭氧消毒案例 制药厂臭氧消毒案例
-
简介与荣誉

当前位置: 









